首页
企业动态
新闻动态
招聘信息
焦点关注
企业资质
建筑装饰装修
建筑装饰设计
建筑机电安装
洁净室建造
电子与智能化
城市道路照明
钢结构
消防设施
安全生产许可证
设计与施工
装饰设计
机电设计
项目管理
工程案例
企业文化
娱乐生活
宣传栏
公益活动
关于我们
董事长致辞
公司简介
发展历程
组织架构
华通荣誉
品牌战略
联系我们
当前位置:
首页
设计与施工
机电设计
满坤厂房空压配电安装工程
满坤厂房空压配电安装工程
2018-06-23 11:16:00
张波
原创
4265
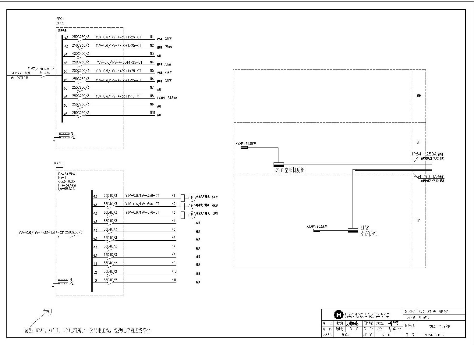
项目概况:该项目位于惠州市仲恺高新开发区,由TCL通力电子(惠州)有限公司投资兴建。
关于我们
董事长致辞
公司简介
发展历程
组织架构
华通荣誉
品牌战略
联系我们
企业资质
建筑装饰装修
建筑装饰设计
建筑机电安装
洁净室建造
电子与智能化
城市道路照明
钢结构
消防设施
安全生产许可证
设计与施工
装饰设计
机电设计
施工管理
工程案例
企业文化
娱乐生活
宣传栏
公益活动
企业动态
公司新闻
招聘信息
焦点关注
微信公众号二维码